SIGMA    西格玛     TL-Y4     镜筒透镜
  • SIGMA    西格玛     TL-Y4     镜筒透镜

SIGMA 西格玛 TL-Y4 镜筒透镜

SIGMA 西格玛 TL-Y4 镜筒透镜
马上咨询
客服电话 13682357734

SIGMA    西格玛     TL-Y4     镜筒透镜


更多信息
目录编号W3462
RoHS
CE
资料下载


图纸下载



信息▶只可和无限共轭物镜配合使用,不能用于有限共轭物镜系统。
▶和奥林巴斯的物镜配合使用时,实际倍率和标称值略有差异。
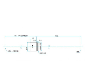
▶螺纹规格为 M32 x 0.5。
注意▶不能和有限共轭物镜一起使用,只可配用无限共轭物镜。
▶入射套管透镜(成像透镜)的光束有方向性要求。一定要从下面(无螺纹侧)入射。如果入射方向弄错了,球差,色差等像差会变大,导致光斑变大,甚至成像模糊。
▶实际入射的波长超出了设计波长范围的话,不仅像差会变大,而且透过率会降低。
技术指标
增透膜波长257nm、266nm、343nm、355nm、515nm、532nm、1030nm、1064nm
螺纹孔规格M32 x 0.5
瞳孔直径φ11.0 mm
自重0.055 kg
焦距 f200 mm
像视野φ24.0
倍率1.0x


手机/微信:13682357734   电话:0755-84690029       QQ: 2844337877        邮箱:2844337877@qq.com

常见问题

粤ICP备15077436号