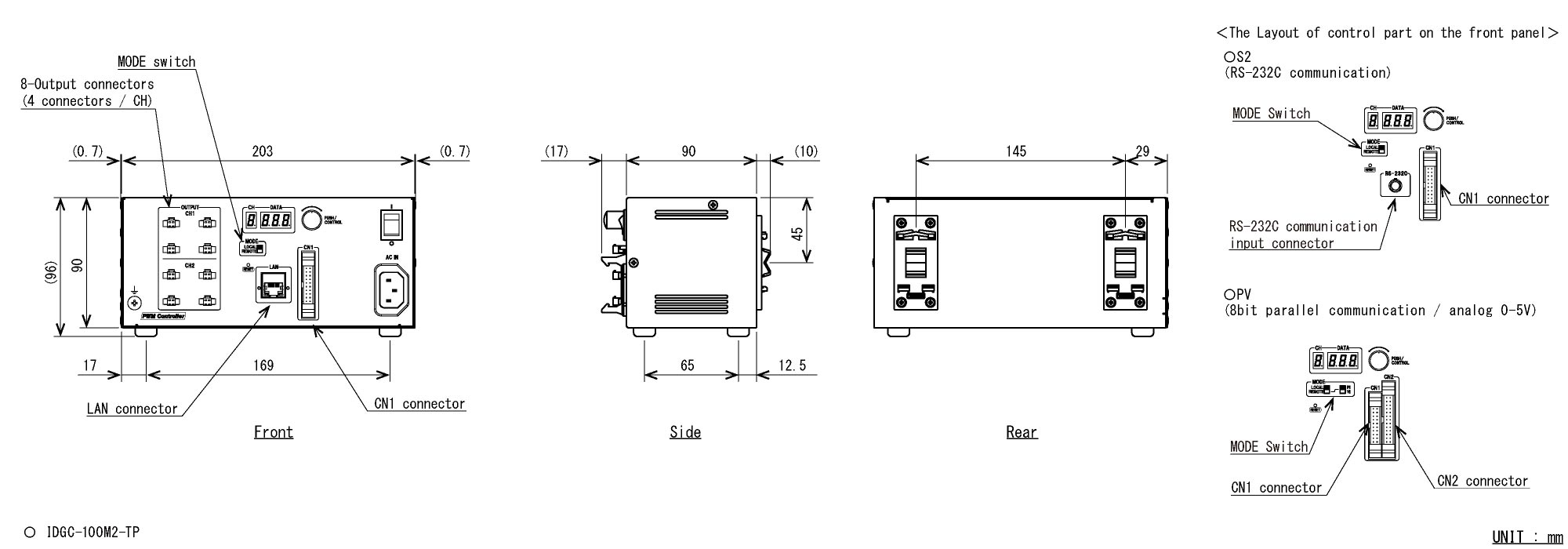
LELMAC雷马克 IDGC-100M2-S2 数字脉宽调制控制器IDGC系列

| 模型 | IDGC-100M2-TP | IDGC-100M2-S2 | IDGC-100M2-PV |
|---|---|---|---|
| 产品编号 | 456-620 | 456-621 | 456-622 |
| 通道数 | 2通道 | ||
| 容量 | 100W | ||
| 输入功率 | 交流100~240V | ||
| 工作频率 | 50/60赫兹 | ||
| 额定输出电压 | 直流12V | ||
| 调光方式 | 脉宽调制约125kHz | ||
| 外部控制 | 外部开/关控制 | ||
| 调光方式(内部) | 8位数字(256级) | ||
| 光控方式(外部) | 以太网通讯 | RS-232C通讯 | 8位并行通讯 /模拟0-5V开关 |
| 输出连接器 | SM连接器(SMP-02V-BC) | ||
| 工作温度 | 0~+40℃ | ||
| 工作湿度 | 20~70%(非凝结) | ||
| 大量的 | 1400克以下 | ||
电话:0755-84690029;电话:13682357734;邮箱:2844337877@qq.com;QQ:2844337877